![]() |
>> 当前位置:首页 - 气缸
文章来源:本站 作者:管理员 发布时间:2014-12-01 15:45:34 浏览量:11182
产品特性
1、执行JIS标准;
2、缸体与后盖,活塞与活塞杆采用铆龛无可争辩,紧凑可靠;
3、缸体内径流压处理后再作硬质氧化处理,耐磨、耐久性好;
4、活塞密封采用异型双向密封结构,尺寸紧凑,有储油功能;
5、紧凑型结构,能有效节省安装空间;
6、缸体周边带有磁感应开关槽,安装感应开关应该做到
7、多种规格安装附件可供选择。
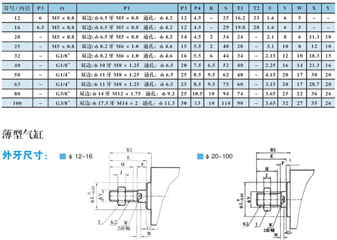
规格表

订购说明




品牌 凯薇气动
型号 SDA
缸径:12 16 20 25 32 40 50 63 80 100
种类 薄型气缸
缸径 100(mm)
气缸数 3
台湾亚德客原装产品
内径mm 12 16 20 25 32 40 50 63 80 100
作动方式 复动型
单动押出型,单动引入型 -
工作介质 空气(经40μm滤网过滤)
使用压力范围mm/s 复动型 0.1-0.9Mpa(14-128psi)
单动型 0.2-0.9Mpa(28-128psi) -
保证耐压力 1.5mpa(213psi)
工作温度℃ -5~70
使用速度范围
mm/s 复动型 30-500 30-350 30-250
单动型 100-500 -
缓冲型式 防撞垫
接管口径 M5*0.8 PT1/8 PT1/4 PT3/8
SDA气缸系列型号
凯薇气动SDAS20*30(内牙型)
凯薇气动SDAS20*30-B(外牙型)
凯薇气动SDAS20*30-N(无牙型)
凯薇气动SDA20*30
凯薇气动SDA20*30-B
凯薇气动SDA20*30-N
凯薇气动SDADS20*30
凯薇气动SDADS20*30-B
凯薇气动SDADS20*30-N
凯薇气动SDAD20*30
凯薇气动SDAD20*30-B
凯薇气动SDAD20*30-N
凯薇气动SDAJ20*30-10
凯薇气动SDAJ20*30-10-B
凯薇气动SDAJ20*30-10-N
凯薇气动SDAJ20*30-20
凯薇气动SDAJ20*30-20-B
凯薇气动SDAJ20*30-20-N
凯薇气动SDAJ20*30-30
凯薇气动SDAJ20*30-30-B
凯薇气动SDAJ20*30-30-N
凯薇气动SDAJ20*30-40
凯薇气动SDAJ20*30-40-B
凯薇气动SDAJ20*30-40-N
凯薇气动SDAJ20*30-50
凯薇气动SDAJ20*30-50-B
凯薇气动SDAJ20*30-50-N
凯薇气动SDAJS20*30-10
凯薇气动SDAJS20*30-10-B
凯薇气动SDAJS20*30-10-N
凯薇气动SDAJS20*30-20
凯薇气动SDAJS20*30-20-B
凯薇气动SDAJS20*30-20-N
凯薇气动SDAJS20*30-30
凯薇气动SDAJS20*30-30-B
凯薇气动SDAJS20*30-30-N
凯薇气动SDAJS20*30-40
凯薇气动SDAJS20*30-40-B
凯薇气动SDAJS20*30-40-N
凯薇气动SDAJS20*30-50
凯薇气动SDAJS20*30-50-B
凯薇气动SDAJS20*30-50-N
凯薇气动SDAT20*30*10
凯薇气动SDAT20*30*10-B
凯薇气动SDAT20*30*10-N
凯薇气动SDATS20*30*10
凯薇气动SDATS20*30*10-B
凯薇气动SDATS20*30*10-N
凯薇气动SDAW20*30*10
凯薇气动SDAW20*30*10-B
凯薇气动SDAW20*30*10-N
凯薇气动SDAWS20*30*10
凯薇气动SDAWS20*30*10-N
电话:0519-88101085 手机:13641505358 版权所有:常州市薇涛物资有限公司
地址:常州市江南五金机电城2-108#苏ICP备14052111号-1
声明:本站所有内容和数据仅供参考,专业内容请电话咨询,极限夸张文字、图片均无效,不作为宣传使用。请谨慎核实