![]() |
>> 当前位置:首页 - 气缸
文章来源:本站 作者:管理员 发布时间:2014-12-01 14:58:37 浏览量:10418
产品特性
1、本企业标准气缸;
2、活塞密封采用异型双向密封结构,尺寸紧凑,有储油功能;
3、为铝管米字型,无拉杆,防腐性能好;
4、与ISO15552标准气缸相比,同缸径SU系列气缸长度小;
5、气缸缓冲调节平稳;
6、气缸安装附件与SC系列气缸共用;
7、选择耐高温密封材料,可保证气缸在150℃条件下正常。
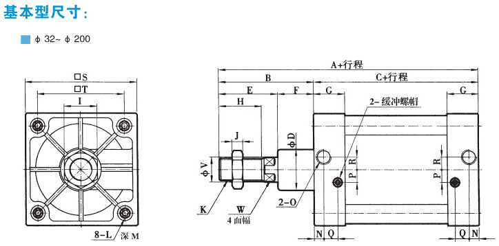
规格表

订购说明
品牌 凯薇气动
型号 SC
作动方式:动式
工作介质:空气(经40um滤网过滤)
使用压力范围:0.1-1.0MPa(14-145psi)
保证耐压力:1.5MPa(215psi)
工作温度(℃):-20?80
使用速度范围(mm/s):30-800
缓冲型式:可调缓冲
欢迎新老客户咨询订购!
SC系列标准气缸型号
凯薇气动SC50*50-S(附磁石)
凯薇气动SC50*50(不附磁石)
凯薇气动SCD50*50-S
凯薇气动SCD50*50
凯薇气动SCJ50*50-10-S
凯薇气动SCJ50*50-10
凯薇气动SCJ50*50-20-S
凯薇气动SCJ50*50-20
凯薇气动SCJ50*50-30-S
凯薇气动SCJ50*50-30
凯薇气动SCJ50*50-40-S
凯薇气动CJ50*50-40
凯薇气动SCJ50*50-50-S
凯薇气动SCJ50*50-50
凯薇气动SCJ50*50-75-S
凯薇气动SCJ50*50-75
凯薇气动SCJ50*50-100-S
凯薇气动SCJ50*50-100
电话:0519-88101085 手机:13641505358 版权所有:常州市薇涛物资有限公司
地址:常州市江南五金机电城2-108#苏ICP备14052111号-1
声明:本站所有内容和数据仅供参考,专业内容请电话咨询,极限夸张文字、图片均无效,不作为宣传使用。请谨慎核实